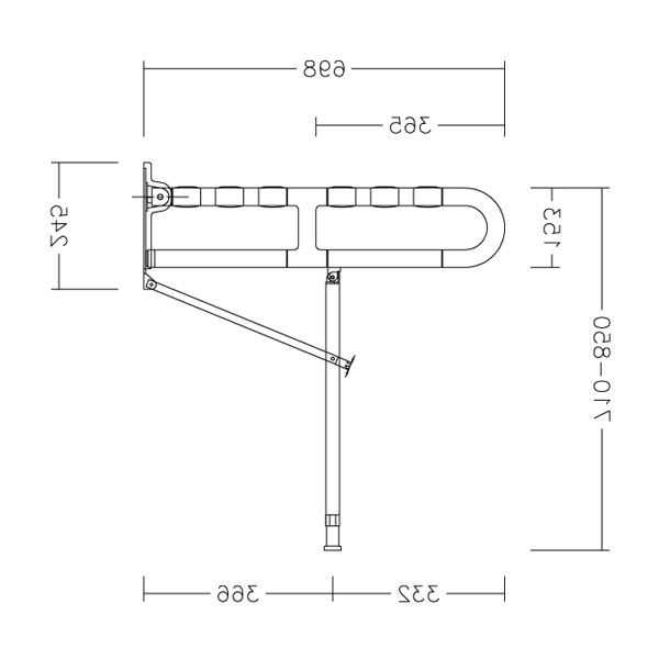
● 管径为34mm「圆形」,表面有止滑顆粒紋 ● 接头卡榫设计,能抵抗松动产生的自转危险 ● 树脂层融入抗菌剂,表面磨损仍具正常效果 ● 内管为2mm厚铝合金管 ● 固定座为真正不生锈的304不锈钢 ● CE認证标準: 载重、抗菌、皮膚敏感測試 ● 锁固孔: 5孔